TI AWR1843 single chip 76-81ghz automotive autonom
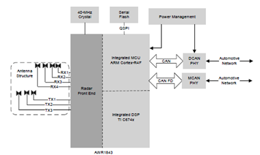
TI公司的AWR1843是集成的单片76-81GHz调频连续波(FMCW)雷达传感器,采用TI公司的45nm RFCMOS工艺,具有极好的集成度和极小型尺寸,是汽车领域低功耗自监测超精确雷达系统的理想解决方案.AWR1843内置PLL和A/D转换器,能实现3TX,4RX系统.它集成的DSP子系统包括高性能的用于雷达信号处理的C674x DSP;器件还包括BIST处理器子系统,能用于雷达配置,控制和校准.此外,器件还包括用户可编的用于汽车接口的ARM R4F.硬件加速器区块(HWA)能进行雷达处理,能节省更高级计算时DSP的MIPS.简单编程模块能实现各种传感器(段,中,长距离),动态可配置以实现多模式传感器.此外,器件还提供完整的平台解决方案包括TI参考设计,软件驱动,样品配置,API引导和用户文件.器件具有四个接收通路,三个发送通路,发送功率+12dBm,76 – 77 GHz频段的接收噪音为14dB,相位噪音为–95 dBc/Hz.主要用在盲区检测,行车变道辅助,路口交通警报,停车辅助,占道检测和手势识别.本文介绍了AWR1843主要特性,汽车自治雷达传感器框图和功能框图,处理器子系统框图,中短距离雷达框图以及xWR1843BOOST评估套件主要特性,评估板电路图,材料清单和PCB设计图.
The AWR1843 device is an integrated single-chip FMCW radar sensor capable of operation in the 76- to81-GHz band. The device is built with TI’s low-power 45-nm RFCMOS process and enablesunprecedented levels of integration in an extremely small form factor. The AWR1843 is an ideal solutionfor low-power, self-monitored, ultra-accurate radar systems in the automotive space.
The AWR1843 device is a self-contained FMCW radar sensor single-chip solution that simplifies theimplementation of Automotive Radar sensors in the band of 76 to 81 GHz. It is built on TI’s low-power 45-nm RFCMOS process, which enables a monolithic implementation of a 3TX, 4RX system with built-in PLLand A2D converters. It integrates the DSP subsystem, which contains TI’s high-performance C674x DSPfor the Radar Signal processing. The device includes a BIST processor subsystem, which is responsible for radio configuration, control, and calibration. Additionally the device includes a user programmable ARMR4F based for automotive interfacing. The Hardware Accelerator block (HWA) can perform radarprocessing and can help save MIPS on the DSP for higher level algorithms. Simple programming modelchanges can enable a wide variety of sensor implementation (Short, Mid, Long) with the possibility ofdynamic reconfiguration for implementing a multimode sensor. Additionally, the device is provided as acomplete platform solution including TI reference designs, software drivers, sample configurations, APIguides, and user documentation.
AWR1843主要特性:
• FMCW transceiver
– Integrated PLL, transmitter, receiver, Baseband,and A2D
– 76- to 81-GHz coverage with 4 GHz availablebandwidth
– Four receive channels
– Three transmit channels
– Ultra-accurate chirp engine based on fractional-N PLL
– TX power: 12 dBm
– RX noise figure:
– 14 dB (76 to 77 GHz)
– 15 dB (77 to 81 GHz)
– Phase noise at 1 MHz:
– –95 dBc/Hz (76 to 77 GHz)
– –93 dBc/Hz (77 to 81 GHz)
• Built-in calibration and self-test (monitoring)
– ARM® Cortex®-R4F-based radio control system
– Built-in firmware (ROM)
– Self-calibrating system across frequency andtemperature
• C674x DSP for FMCW signal processing
• On-chip Memory: 2MB
• Cortex-R4F microcontroller for object tracking andclassification, AUTOSAR, and interface control
– Supports autonomous mode (loading userapplication from QSPI flash memory)
• Integrated peripherals
– Internal memories With ECC
• Host interface
– CAN and CAN-FD
• Other interfaces available to user application
– Up to 6 ADC channels
– Up to 2 SPI channels
– Up to 2 UARTs
– I2C
– GPIOs
– 2-lane LVDS interface for raw ADC data anddebug instrumentation
• ASIL B targeted
• AECQ100 qualified
• AWR1843 advanced features
– Embedded self-monitoring with no hostprocessor involvement
– Complex baseband architecture
– Embedded interference detection capability
– Programmable phase rotators in transmit path toenable beam forming
• Power management
– Built-in LDO network for enhanced PSRR
– I/Os support dual voltage 3.3 V/1.8 V
• Clock source
– Supports external oscillator at 40 MHz
– Supports externally driven clock (square/sine) at40 MHz
– Supports 40 MHz crystal connection with loadcapacitors
• Easy hardware design
– 0.65-mm pitch, 161-pin 10.4 mm × 10.4 mm flipchip BGA package for easy assembly and lowcostPCB design
– Small solution size
• Supports automotive temperature operating range
AWR1843应用:
• Blind spot detection
• Lane change assistance
• Cross traffic alert
• Parking assistance
• Occupancy detection
• Gesture recognition

图1.汽车应用的自治雷达传感器框图

图2.AWR1843功能框图

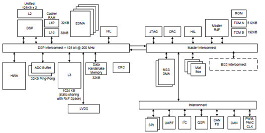
图3.AWR1843处理器子系统框图

图4.中短距离雷达框图

图5.AWR1843参考电路
xWR1843评估套件(xWR1843BOOST)单片mmWave检测解决方案
The xWR1843 BoosterPack™ from Texas Instruments™ is an easy-to-use evaluation board for thexWR1843 mmWave sensing device, with direct connectivity to the microcontroller (MCU) LaunchPad™Development Kit. The BoosterPack contains everything required to start developing software for on-chipC67x DSP core and low-power Arm® R4F controllers, including onboard emulation for programming anddebugging as well as onboard buttons and LEDs for quick integration of a simple user interface.
The xWR1843 BoosterPack from Texas Instruments is an easy-to-use evaluation board for the xWR1843mmWave sensing device, with direct connectivity to the microcontroller (MCU) LaunchPad DevelopmentKit. The BoosterPack contains everything required to start developing software for on-chip C67x DSP coreand low-power ARM R4F controllers, including onboard emulation for programming and debugging as wellas onboard buttons and LEDs for quick integration of a simple user interface.
The standard 20-pin BoosterPack headers make the device compatible with a wide variety of TI MCULaunchPads and enables easy prototyping.
xWR1843BOOST评估套件主要特性:
• Two 20-pin LaundPad connectors that leverages the ecosystem of the TI LaunchPad
• XDS110 based JTAG emulation with a serial port for onboard QSPI flash programming
• Back-channel UART through USB-to-PC for logging purposes
• Onboard antenna
• 60-pin, high-density (HD) connector for raw analog-to-digital converter (ADC) data over LVDS andtrace-data capability
• Onboard CAN-FD transceiver
• One button and two LEDs for basic user interface
• 5-V power jack to power the board
xWR1843BOOST评估套件包括:
The following items are included with the xWR1843BOOST kit.
• xWR1843 evaluation board
• Mounting brackets, screws, and nuts to place the printed-circuit board (PCB) vertical
• Micro USB cable to connect to PC

图6.xWR1843BOOST评估模块外形图(正面)

图7.xWR1843BOOST评估模块外形图(背面)

图8.xWR1843BOOST评估模块框图

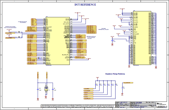
图9. xWR1843BOOST评估模块电路图(1)

图10. xWR1843BOOST评估模块电路图(2)

图11. xWR1843BOOST评估模块电路图(3)

图12. xWR1843BOOST评估模块电路图(4)

图13. xWR1843BOOST评估模块电路图(5)

图14. xWR1843BOOST评估模块电路图(6)

图15. xWR1843BOOST评估模块电路图(7)

图16. xWR1843BOOST评估模块电路图(8)

图17. xWR1843BOOST评估模块电路图(9)

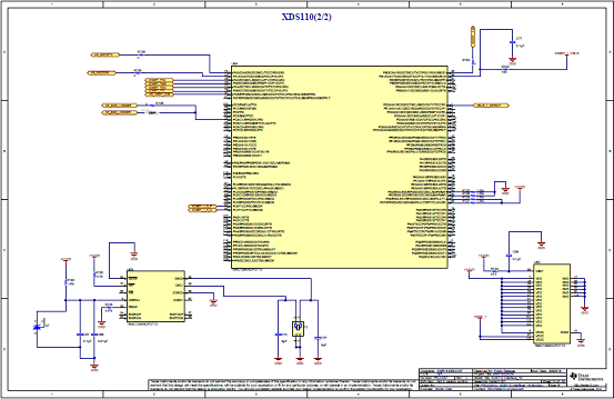
图18. xWR1843BOOST评估模块电路图(10)

图19. xWR1843BOOST评估模块电路图(11)

图20. xWR1843BOOST评估模块电路图(12)

图21. xWR1843BOOST评估模块电路图(13)

图22. xWR1843BOOST评估模块电路图(14)

图23. xWR1843BOOST评估模块电路图(15)

图24. xWR1843BOOST评估模块电路图(16)

图25. xWR1843BOOST评估模块电路图(17)

图26. xWR1843BOOST评估模块PCB设计图(1)

图27. xWR1843BOOST评估模块PCB设计图(2)
xWR1843BOOST评估模块材料清单见:
 PROC051B(001)_BOM.xls
PROC051B(001)_BOM.xls
详情请见:
http://www.ti.com/lit/ds/symlink/awr1843.pdf
和http://www.ti.com/lit/ug/spruim4a/spruim4a.pdf
 awr1843.pdf
awr1843.pdf
 spruim4a.pdf
spruim4a.pdf

 Portuguese (Portugal)
 Portuguese (Portugal)		 English
 English         German
 German         Spanish
 Spanish         Russian
 Russian         Korean
 Korean         Arabic
 Arabic         Thai
 Thai         Vietnamese
 Vietnamese         Italian
 Italian         Japanese
 Japanese         Turkish
 Turkish         Dutch
 Dutch         Indonesian
 Indonesian         Hebrew
 Hebrew         Hindi
 Hindi         Portuguese (Brazil)
 Portuguese (Brazil)         Kazakh
 Kazakh         Chinese
 Chinese        